Here’s a practical, no-fluff RV32I FPGA implementation roadmap — focused on getting you from zero → running code on hardware.
hase 0 — Setup (1 day)
Goal: Write Verilog, simulate, and compile RISC-V code
- FPGA tools:
- Vivado (Xilinx)
- Quartus (Intel)
- Simulation:
- ModelSim or Verilator
- Toolchain:
- riscv-gnu-toolchain
👉 Output:
.c → .elf → .hexworking
Phase 1 — Single-Cycle CPU (3–5 days)
Build the minimum working CPU
Modules:
- PC (Program Counter)
- Register File (32 registers)
- ALU (ADD/SUB/AND/OR)
- Instruction Memory (ROM)
- Data Memory (RAM)
- Control Unit
Minimum instructions:
ADD,SUBADDILW,SWBEQJAL
👉 Test goal:
int a = 1 + 2;
If this runs → you have a working CPU.
Phase 2 — Expand RV32I (3–7 days)
Add more instructions
- Logic:
XOR,SLL,SRL - Compare:
SLT,SLTU - Branch:
BNE,BLT
Key challenges:
- Immediate decoding (VERY error-prone)
- Branch offset calculation
👉 Goal:
- Run loops and simple
if/else
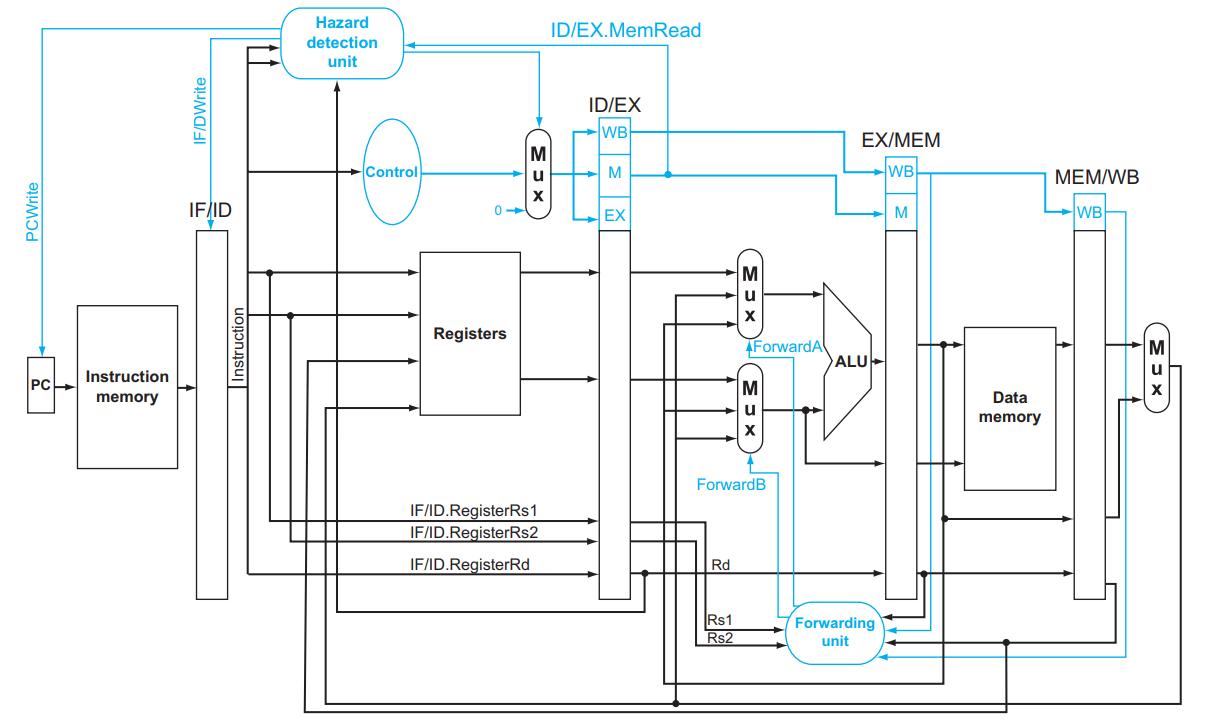
Phase 3 — Pipeline (5–10 days) 🔥
Move from single-cycle → 5-stage pipeline
- IF (Fetch)
- ID (Decode)
- EX (Execute)
- MEM
- WB (Write Back)
Add:
- Pipeline registers (IF/ID, ID/EX…)
- Hazard detection
- Forwarding (bypass)
Hard parts:
- Data hazards
- Control hazards (branches)
👉 Result:
- Multiple instructions running in parallel
Phase 4 — Simulation & Verification (ongoing)
- Write testbenches
- Compare against software results
- Use official tests:
- RISC-V ISA tests
👉 Goal:
- No silent bugs (this matters more than features)
🔌 Phase 5 — Run on FPGA (2–3 days)
Hook up real hardware
- Clock
- Reset
- UART (for output)
👉 Example:
printf("Hello RISC-V");
If you see serial output → you made it 🎉
⚡ Phase 6 — Advanced (optional)
- Cache (I/D cache)
- Branch predictor
- M-extension (mul/div)
- Simple OS / RTOS
🧠 What You’re Really Doing
You are NOT “writing code”.
You are designing:
- Datapath (how data flows)
- Control logic (what happens when)
- Timing (when it happens)









